5500jcjc线路检测

为全球客户提供专业的过滤分离解决方案
关  注
公众号
全国咨询热线:0769-8896 1960

液体除菌滤芯在线蒸汽灭菌(消毒)SIP方法

发布时间:2023-06-19 人气:443 来源:本站

液体除菌过滤器在线蒸汽灭菌操作规程


1.适用范围:


本规程适用于以饱和蒸汽作介质时的液体过滤器(除菌微孔膜折叠滤芯)在线灭菌消毒。


2.基本条件:


2.1 蒸汽为饱和状态,其进气压力应大于0.11MPa 。

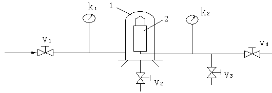
2.2 装置示意

1 —过滤器外壳 2 —折叠式滤芯
v1— 调节阀(蒸汽) v2— 滤器排污阀 v3— 调节阀(针形阀) v4— 下游系统阀

k1、k2—压力表(蒸汽)[separator]


3.操作步骤


3.1 关闭v3、v4阀,全开v2阀。
3.2 缓慢打开v1阀,调节v1阀开启度,以使管道、过滤器壳体中容积水、冷
凝水通过v2阀排尽。
3.3 v2阀关闭一半,v3针形阀手柄按打开方向旋转360°。
3.4 调节v1阀,使k1压力读数保持在0.11MPa 。
3.5 v3阀有蒸汽排出后,调节v1、v3阀,以使k1压力读数保持在0.11MPa,k2
压力读数保持在0.08~0.09MPa,此时开始计算灭菌消毒时间。
3.6 灭菌消毒时间控制在30分钟。

3.7 关闭v1阀,打开v2阀,待蒸汽排尽后关闭v2阀,此时灭菌消毒过程完成。


4.注意事项


4.1消毒用蒸汽必须是饱和蒸汽,蒸汽进入过滤器的压力k1必须控制在0.12MPa以下,否则滤膜将有可能被损坏。
4.2 蒸汽灭菌过程中,v2阀不可全关闭,k1、k2压差必须控制在0.03MPa以内,
否则滤芯将有可能被损坏。
4.3 滤芯如用非水溶剂(例如酒精)作为介质使用过(例如测试),蒸汽灭菌前必
须将非水溶剂清洗干净,否则在作蒸汽灭菌时滤膜将会被损坏。


标签:
什么情况下会需要用到PPH过滤器
PPH塑料过滤器:高性能耐腐蚀过滤解决方案
囊式过滤器能否用在新能源生产的流程中
囊式过滤器在医药生产中的作用
折叠滤芯在纯水制备中的应用及解决方案
折叠滤芯在新能源电池生产中的作用
锂电池生产车间过滤器解析与应用指南
烧结滤芯在锂电池浆料生产中的作用与用途
囊式过滤器产品介绍及其主要应用领域
滤芯采用大流量结构具备什么样的优势

在线留言

在线客服
联系方式

热线电话

0769-8896 1960

上班时间

周一到周五

公司电话

186 8868 1654

二维码
线